Чугунная банная печь ЭТНА 24 (ДТ-4) оснащается глухой чугунной дверкой ДТ-4 и рассчитана на работу в парной объёмом до 24 кубических метров. С помощью этой модели обеспечивается быстрый равномерный прогрев парной, поддержание необходимой температуры и получение достаточного количества пара.
Дверка имеет форму квадрата, оснащена глухой чугунной створкой. Ручка двери при закрывании плотно притягивает полотно дверки к рамке, что предотвращает попадание дыма и горящих газов в помещение.
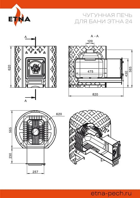
Для устройства наружной открытой каменки печь ЭТНА 24 оснащается металлическим кожухом с прорезным рисунком оригинального дизайна. Пространство между печью и кожухом из двухмиллиметровой стали заполняется камнями для бани, которые выполняют роль теплонакопителя, перераспределяют тепло от стенок топки и защищают парящихся от жёсткого инфракрасного излучения. Воду подают на нагретые камни, с которых полученный пар распространяется по всему объёму парной. Кожух диаметром 620 миллиметров вмещает в себя до 130 килограммов камней крупной и средней фракции.
Банная печь ЭТНА 24 ДТ-4 изготовлена из чугуна высокого качества. Материал с высокой теплопроводностью, чугун быстро передаёт энергию сжигаемого топлива наружу, в пространство парной. Толщина деталей корпуса составляет 6-8 миллиметров.
Корпус печи состоит из трёх элементов, собираемых на болтовых соединениях. При сборке между элементами корпуса прокладывается термостойкий керамический шнур, предотвращающий прорыв дымовых газов и пламени в помещение.
В нижней части топочной камеры размещается чугунный колосник, предназначенный для подачи воздуха на дрова снизу. Для повышения теплоотдачи и максимального использования энергии горения дров в верхней части печи расположен пламегаситель, изменяющий направление движения дымовых газов и обеспечивающий полное сгорание. Чугунная деталь перекрывает прямой путь пламени и газов в дымоход, что улучшает тепловые показатели печи ЭТНА 24.
Регулировка скорости горения дров осуществляется за счёт изменения положения зольного ящика, который выполняет функции заслонки для воздушного потока. При закрытом ящике интенсивность поступления воздуха в топку минимальная, при открытом – максимальная.
Топочный тоннель из особо прочной стали предназначен для вывода топочной дверцы в смежное с парилкой помещение. Длина тоннеля достаточна для прохождения через стену толщиной 20 сантиметров.
Печь ЭТНА 18 оснащается верхним патрубком для подключения дымохода. На патрубок можно установить одноконтурную трубу или чугунный шибер диаметром 120 мм.
Дверка печи (ДТ-4) изготовлена из высококачественного чугуна, не меняющего своих пропорций при длительном нагреве. Через дверку проводится обслуживание печи, подкладывание дров и контроль горения топлива. Дверка делает топку печи безопасным и удобным процессом. Конструктивно дверка вынесена в смежное с парилкой помещение (предбанник, комната отдыха), откуда и производят обслуживание топочного пространства.
Информация о доставке
Внутри МКАД - от 900 руб. до 1600 руб.Внутри ТТК - 1500 руб.
По МО - 900 руб. + 40 руб./км.
До транспортной компании - 1500 руб.
Компания уже 15 лет успешно работает в сфере установки печей, котлов, каминов и дымоходов. За это время мы собрали команду опытных специалистов, каждый из которых является квалифицированным специалистом в своей сфере. Мы наработали серьезный практический опыт выполнения монтажных работ, в том числе опыт установки нестандартных конструкций и работы на сложных объектах.
Заказывайте установку камина и монтаж дымохода у нас. Подробности тут ->
Все монтажники в нашей компании имеют требуемые допуски и документы, в том числе лицензию МЧС. Мы всегда предоставляем гарантию на свои услуги и несем ответственность за качество выполненных работ и эксплуатационную безопасность объектов. Заказывайте установку каминной топки и дымохода по низким ценам в компании Печи-Дымоходы.
