Главная задача банной печи Русичъ АНТРАЦИТ 12 (ДТ-3) - это нагрев парилки и получение достаточного количества пара нужной температуры, который равномерно распространяется при помощи камней в каменке. Выносной портал обеспечивает чистоту парилки за счет вывода всех работ по растопке и поддержанию огня в смежное помещение, заканчивающийся негерметичной, чугунной дверкой.
Срок службы увеличен за счет качественных сварных швов и конструкционной стали толщиной 6-8мм, а в самых уязвимых местах подверженных воздействию высоких температур используются чугунные детали (колосник, зуб отбойник).
Печь Русичъ оборудована стальным конвекционно-вентилируемым кожухом с загрузкой до 60 кг камней и возможностью установить бак с водой на дымоход.
Конвекционная банная печь ВЕЗУВИЙ Русичъ Антрацит 12 (ДТ-3) изготовлена из особо прочной котловой стали марки 09Г2С толщиной 4-6 мм и может устанавливаться в парную объёмом от 6 до 14 кубических метров.
Стальная топка имеет скошенные углы в нижней части боковых стенок, что делает уход за топочным пространством максимально простым, а эффективность сгорания дров – максимальным.
Канал для подачи вторичного дожига расположен на задней поверхности топки и проходит снизу, из поддувала, вверх, в дымосборник. Он существенно усиливает горение в верхней части печи и повышает количество получаемого от топлива энергии.
Стальной кожух печи зафиксирован на корпусе, для улучшения конвекции оснащён прорезными отверстиями в верхней части. Внутренние вырезы обеспечивают попадание холодного воздуха к камням, наружные – нагрев воздуха в парной.
Открытая каменка устраивается путём закладывания верхней части топки банными камнями. Для камней средней и крупной фракции предназначен внутренний короб с вертикальными отверстиями.
Дверка, пламегаситель и колосник изготовлены из чугуна, что увеличивает их прочность и срок службы.
Интенсивность подачи воздуха в зону горения регулируется зольным ящиком совкового типа.
Преимущества печей серии Русичъ:
- Особо прочная котловая сталь марки 09Г2С 4-6 мм.
- Чугунный пламегаситель.
- Чугунная топочная дверь.
- Чугунная колосниковая решётка.
- Конвекционно-вентилируемый кожух вмещающий до 50 кг камней.
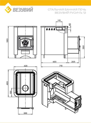
Высота: 583 мм
Глубина: 715 мм
Серия: Русичъ
Толщина металла: 6 мм
Объем парного помещения: от 6 до 14 м3
Материал: особо прочная котловая сталь 09Г2С
Вес: 59,3 кг
Тип каменки: открытая
Диаметр дымохода: 115 мм
Топливо: дрова
Тип дверки: без стекла
Модель дверки: Везувий ДТ-3
Материал дверки: жаростойкий чугун (ГОСТ 1412-85)
Размер топочной дверки наружный: 290х250 мм
Топочный тоннель: с выносом
Тип конвектора: конвекционный кожух
Информация о доставке
Внутри МКАД - от 900 руб. до 1600 руб.Внутри ТТК - 1500 руб.
По МО - 900 руб. + 40 руб./км.
До транспортной компании - 1500 руб.
Компания уже 15 лет успешно работает в сфере установки печей, котлов, каминов и дымоходов. За это время мы собрали команду опытных специалистов, каждый из которых является квалифицированным специалистом в своей сфере. Мы наработали серьезный практический опыт выполнения монтажных работ, в том числе опыт установки нестандартных конструкций и работы на сложных объектах.
Заказывайте установку камина и монтаж дымохода у нас. Подробности тут ->
Все монтажники в нашей компании имеют требуемые допуски и документы, в том числе лицензию МЧС. Мы всегда предоставляем гарантию на свои услуги и несем ответственность за качество выполненных работ и эксплуатационную безопасность объектов. Заказывайте установку каминной топки и дымохода по низким ценам в компании Печи-Дымоходы.
